"Thép hình chữ V-L" thực ra là hai loại thép khác nhau, bao gồm Thép hình chữ V và Thép hình chữ L (thép V lệch), cả hai đều là thép góc có mặt cắt tạo thành hình dạng tương ứng với chữ V và L trong bảng chữ cái Latin, ứng dụng rộng rãi trong xây dựng và công nghiệp nhờ khả năng chịu lực tốt.
1.Thép Hình Chữ V:
Hình dạng:
Có mặt cắt hình chữ V, gồm hai cánh vuông góc và một đỉnh tam giác.
Đặc điểm:
Ứng dụng:
Khung chịu lực nhà tiền chế, kết cấu cầu đường, trụ điện cao thế, hàng rào, mái che, đóng tàu.
2.Thép Hình Chữ L (Thép V Lệch):
Hình dạng:
Hai cạnh vuông góc với nhau, giống như chữ "L" hoặc hình chữ V khi nhìn từ phía trên.
Đặc điểm:
Ứng dụng:
Các công trình chịu tải trọng lớn như cầu đường, khung sườn xe, bàn ghế, khung container, kệ kho.
Điểm khác biệt:
Hình dạng:
Thép chữ V có hai cạnh bằng nhau trong khi thép chữ L có hai cạnh không đều nhau.
Ứng dụng:
Mặc dù có nhiều điểm tương đồng, thép hình L thường được ưu tiên trong các ứng dụng chịu lực lớn và yêu cầu độ đàn hồi cao hơn.
3.Tiêu chuẩn thép hình chữ V-L
Các sản phẩm thép hình chữ V được đảm bảo đạt các tiêu chuẩn chất lượng cả trong nước và quốc tế. Cụ thể, các tiêu chuẩn thép hình chữ V bao gồm:
|
MÁC THÉP |
A36, SS400, Q235B, S235JR, GR.A và GR.B |
|---|---|
|
TIÊU CHUẨN |
TCVN ,EN10025-2, KD S3503, GB/T 700, A131, ASTM, JIS G3101 |
|
XUẤT XỨ |
Việt Nam – Đài Loan – Thái Lan – Trung Quốc – Nhật Bản – Hàn Quốc |
|
QUY CÁCH |
Dày: 3.0mm – 24mm |
|
Dài: 6000 – 12000mm |
Đặc tính kỹ thuật
|
Mác thép |
THÀNH PHẦN HÓA HỌC ( %) |
|||||||
|---|---|---|---|---|---|---|---|---|
|
. |
C tối đa |
Si tối đa |
Mn tối đa |
P tối đa |
S tối đa |
Ni tối đa |
Cr tối đa |
cu max |
|
A36 |
0.27 |
0.15-0.40 |
1.20 |
0.040 |
0.050 |
0.20 |
||
|
SS400 |
0.050 |
0.050 |
||||||
|
Q235B |
0.22 |
0.35 |
1.40 |
0.045 |
0.045 |
0.30 |
0.30 |
0.30 |
|
S235JR |
0.22 |
0.55 |
1.60 |
0.050 |
0.050 |
|||
|
GR.A |
0.21 |
0.50 |
2.5XC |
0.035 |
0.035 |
|||
|
GR.B |
0.21 |
0.35 |
0.80 |
0.035 |
0.035 |
Đặc tính cơ lý
|
Mác thép |
ĐẶC TÍNH CƠ LÝ |
|||
|---|---|---|---|---|
|
. |
Nhiệt độ (C) |
YS Mpa |
TS Mpa |
% _ |
|
A36 |
≥245 |
400-550 |
20 |
|
|
SS400 |
≥245 |
400-510 |
21 |
|
|
Q235B |
≥235 |
370-500 |
26 |
|
|
S235JR |
≥235 |
360-510 |
26 |
|
|
GR.A |
20 |
≥235 |
400-520 |
22 |
|
GR.B |
0 |
≥235 |
400-520 |
22 |
4.Bảng giá Thép hình V,L (SS400, SS540)
Áp dụng từ: 12/06/2025
|
STT |
Tên sản phẩm |
Độ dài |
Trọng |
Giá chưa VAT |
Tổng giá |
Giá có VAT |
Tổng giá |
|---|---|---|---|---|---|---|---|
|
1 |
Thép góc L 30 x 30 x 3 x 6000mm |
6 |
8.16 |
13,682 |
111,645 |
15,050 |
122,808 |
|
2 |
Thép góc L 40 x 40 x 3 x 6000mm |
6 |
11.1 |
13,682 |
151,870 |
15,050 |
167,055 |
|
3 |
Thép góc L 40 x 40 x 4 x 6000mm |
6 |
14.52 |
13,682 |
198,663 |
15,050 |
218,526 |
|
4 |
Thép góc L 50 x 50 x 4 x 6000mm |
6 |
18.3 |
13,682 |
250,381 |
15,050 |
275,415 |
|
5 |
Thép góc L 50 x 50 x 5 x 6000mm |
6 |
22.62 |
13,682 |
309,487 |
15,050 |
340,431 |
|
6 |
Thép góc L 63 x 63 x 5 x 6000mm |
6 |
28.86 |
13,682 |
394,863 |
15,050 |
434,343 |
|
7 |
Thép góc L 63 x 63 x 6 x 6000mm |
6 |
34.32 |
13,682 |
469,566 |
15,050 |
516,516 |
|
8 |
Thép góc L 70 x 70 x 5 x 6000mm |
6 |
32.28 |
13,682 |
441,655 |
15,050 |
485,814 |
|
9 |
Thép góc L 70 x 70 x 6 x 6000mm |
6 |
38.34 |
13,682 |
524,568 |
15,050 |
577,017 |
|
10 |
Thép góc L 70 x 70 x 7 x 6000mm |
6 |
44.34 |
13,682 |
606,660 |
15,050 |
667,317 |
|
11 |
Thép góc L 75 x 75 x 5 x 6000mm |
6 |
34.56 |
13,682 |
472,850 |
15,050 |
520,128 |
|
12 |
Thép góc L 75 x 75 x 6 x 6000mm |
6 |
41.34 |
13,682 |
565,614 |
15,050 |
622,167 |
|
13 |
Thép góc L 75 x 75 x 7 x 6000mm |
6 |
47.76 |
13,682 |
653,452 |
15,050 |
718,788 |
|
14 |
Thép góc L 80 x 80 x 6 x 6000mm |
6 |
44.16 |
13,682 |
604,197 |
15,050 |
664,608 |
|
15 |
Thép góc L 80 x 80 x 7 x 6000mm |
6 |
51.06 |
13,682 |
698,603 |
15,050 |
768,453 |
|
16 |
Thép góc L 80 x 80 x 8 x 6000mm |
6 |
57.9 |
13,682 |
792,188 |
15,050 |
871,395 |
|
17 |
Thép góc L 90 x 90 x 6 x 6000mm |
6 |
49.98 |
13,682 |
683,826 |
15,050 |
752,199 |
|
18 |
Thép góc L 90 x 90 x 7 x 6000mm |
6 |
57.84 |
13,682 |
791,367 |
15,050 |
870,492 |
|
19 |
Thép góc L 90 x 90 x 8 x 6000mm |
6 |
65.4 |
13,682 |
894,803 |
15,050 |
984,270 |
|
20 |
Thép góc L 100 x 100 x 8 x 6000mm |
6 |
73.2 |
13,682 |
1,001,522 |
15,050 |
1,101,660 |
|
21 |
Thép góc L 100 x 100 x 10 x 6000mm |
6 |
90.6 |
13,682 |
1,239,589 |
15,050 |
1,363,530 |
|
22 |
Thép góc L 120 x 120 x 8 x 12000mm |
12 |
176.4 |
15,308 |
2,700,331 |
16,839 |
2,970,400 |
|
23 |
Thép góc L 120 x 120 x 10 x 12000mm |
12 |
219.12 |
15,308 |
3,354,289 |
16,839 |
3,689,762 |
|
24 |
Thép góc L 120 x 120 x 12 x 12000mm |
12 |
259.2 |
15,308 |
3,967,834 |
16,839 |
4,364,669 |
|
25 |
Thép góc L 125 x 125 x 10 x 12000mm |
12 |
229.2 |
15,308 |
3,508,594 |
16,839 |
3,859,499 |
|
26 |
Thép góc L 125 x 125 x 15 x 12000mm |
12 |
355.2 |
15,308 |
5,437,402 |
16,839 |
5,981,213 |
|
27 |
Thép góc L 130 x 130 x 10 x 12000mm |
12 |
237 |
15,308 |
3,627,996 |
16,839 |
3,990,843 |
|
28 |
Thép góc L 130 x 130 x 12 x 12000mm |
12 |
280.8 |
15,308 |
4,298,486 |
16,839 |
4,728,391 |
|
29 |
Thép góc L 150 x 150 x 10 x 12000mm |
9 |
274.8 |
15,308 |
4,206,638 |
16,839 |
4,627,357 |
|
30 |
Thép góc L 150 x 150 x 12 x 12000mm |
9 |
327.6 |
15,308 |
5,014,901 |
16,839 |
5,516,456 |
|
31 |
Thép góc L 150 x 150 x 15 x 12000mm |
12 |
405.6 |
15,308 |
6,208,925 |
16,839 |
6,829,898 |
|
32 |
Thép góc L 175 x 175 x 12 x 12000mm |
12 |
381.6 |
15,308 |
5,841,533 |
16,839 |
6,425,762 |
|
33 |
Thép góc L 175 x 175 x 15 x 12000mm |
12 |
472.8 |
15,308 |
7,237,622 |
16,839 |
7,961,479 |
|
34 |
Thép góc L 200 x 200 x 15 x 12000mm |
12 |
543.6 |
15,308 |
8,321,429 |
16,839 |
9,153,680 |
|
35 |
Thép góc L 200 x 200 x 20 x 12000mm |
12 |
716.4 |
15,308 |
10,966,651 |
16,839 |
12,063,460 |
|
36 |
Thép góc L 200 x 200 x 25 x 12000mm |
12 |
888 |
15,308 |
13,593,504 |
16,839 |
14,953,032 |
5.Phân loại thép hình chữ V-L
Các loại thép hình chữ V được phân loại theo cách xử lý bề mặt:
Sắt V
Sản phẩm sắt V không được xử lý bề mặt và được giữ nguyên màu đen của phôi thép. Thép V đen thường có giá thành thấp, được sử dụng phổ biến trong xây dựng dân dụng, chế tạo đồ nội thất, làm khung và giá đỡ cho thiết bị.

Sắt V giữ nguyên màu của phôi thép nên có màu đen
Thép hình V inox
Thép hình V inox là sản phẩm được các chuyên gia trong ngành xây dựng đánh giá cao với những ưu điểm vượt trội về tính năng và tính tiện ích. Đặc biệt, sản phẩm này có khả năng chống ăn mòn cao, khả năng chịu nhiệt tốt, và dễ dàng gia công để tạo hình theo nhu cầu. Bề mặt của thép hình chữ V sáng bóng sẽ giúp việc vệ sinh chúng một cách dễ dàng hơn.
Quy cách sản phẩm thép hình chữ V inox thường gồm các thông số như sau:
Thép hình chữ V inox được ứng dụng rộng rãi trong nhiều lĩnh vực, bao gồm:
Thép V mạ kẽm điện phân
Thép hình V mạ kẽm điện phân là sản phẩm được phủ một lớp kẽm mỏng có độ dày từ 20 đến 30 μm. Bề mặt của sản phẩm được mạ kẽm điện phân có đặc điểm là sáng bóng và mịn hơn so với việc sử dụng phương pháp mạ kẽm nhúng nóng.

Thép hình chữ V mạ kẽm điện phân là sản phẩm được phủ một lớp kẽm mỏng có độ dày từ 20 đến 30 μm
Thép V mạ kẽm nhúng nóng
Thép hình V mạ kẽm nhúng nóng là sản phẩm có lớp mạ kẽm dày từ 70 đến 90 μm. Lớp mạ kẽm này được phủ trên toàn bộ bề mặt của sản phẩm, tạo ra một lớp bảo vệ chống lại quá trình ăn mòn do tác động của các yếu tố oxi hóa.
Thép hình V lỗ
Thép hình V lỗ, còn được gọi là thép V lỗ đa năng, là sản phẩm có nhiều lỗ trên bề mặt, được sử dụng rộng rãi trong việc lắp ráp các loại kệ như kệ sách, kệ hồ sơ, kệ siêu thị, kệ chứa hàng hóa và nhiều ứng dụng khác.
Các lỗ trên sản phẩm được đúc đồng đều, tạo ra độ chính xác cao, giúp việc lắp ráp dễ dàng. Sản phẩm có độ dày và kích thước cạnh sắt V đều và chính xác theo quy định.
Thông tin về kích thước thông dụng của thép V lỗ bao gồm:
Quá trình sản xuất thép V lỗ đa năng thường bao gồm các công đoạn sau:
Các kích thước thông dụng của thép V lỗ gồm: V 30 x 30, V 40 x 40, V 30 x 50, V 40 x 60, V 40 x 80.
6.Quy cách thép hình chữ V
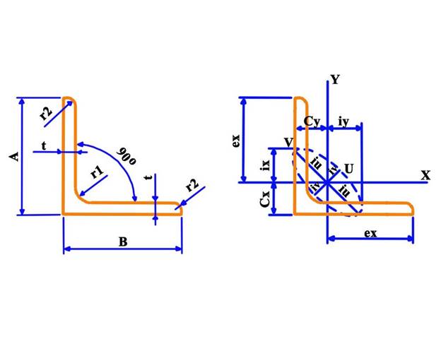
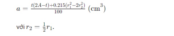
Quy cách của sản phẩm thép hình chữ V bao gồm một số tiêu chí quan trọng và mang tính đặc trưng cho sản phẩm thép hình chữ V gồm các thông số như kích thước thép hình V, khối lượng, độ dày của thép cùng các đặc tính hình học khác.
6.1Chiều dài của cây thép V
Đối với chiều dài của cây thép V, theo tiêu chuẩn của TCVN, một cây thép V có thể có các chiều dài sau: 6, 7, 8, 9, 10, 11, 12, 13, 14, 15 (m). Trong thực tế, các sản phẩm thông dụng thường có chiều dài 6m và 12m như sau:
Các sản phẩm thép hình chữ V có kích thước riêng hoặc nằm ngoài so với những tiêu chuẩn quy định sẵn có thể được thực hiện sản xuất dựa theo thỏa thuận riêng được lập hợp đồng giữa bên mua và nhà sản xuất. Đối với một số sản phẩm sắt V không được sản xuất trong nước, có thể cần phải nhập khẩu từ các quốc gia khác.
6.2Trọng lượng, kích thước của thép hình chữ V

Các thông số cụ thể của thép hình chữ V
Cách tính trọng lượng thép hình V
Để tính trọng lượng trên 1m dài của cây thép hình V, ta sử dụng công thức sau:
P(kg/m)=0.785×Diện tích mặt cắt ngang
Trong đó, diện tích mặt cắt ngang (a) được tính bằng công thức:

Công thức được dùng để tính diện tích mặt cắt ngang của thép hình chữ V
Ví dụ: để tính trọng lượng trên 1m dài của thép V 50x50x4, ta thay các giá trị vào công thức:

=0.785×3.892675=3.055749875 (kg/m)
Do đó, trọng lượng trên 1m dài của thép V 50x 50x 4 là khoảng 3.06 kg. Dưới đây là bảng trọng lượng thép hình V cơ bản bạn có thể tham khảo mà không cần tính toán.
7.Bảng tra thép hình chữ V – Trọng lượng, Quy cách
|
Số TT |
Mô Tả Quy Cách Sản Phẩm |
Chiều dài |
kg/m |
kg/cây |
|---|---|---|---|---|
|
1 |
V 25x 25x 2,5ly |
6 |
0.92 |
5.5 |
|
2 |
V 25x 25x 3ly |
6 |
1.12 |
6.7 |
|
3 |
V 30x 30x 2.0ly |
6 |
0.83 |
5.0 |
|
4 |
V 30x 30x 2,5ly |
6 |
0.92 |
5.5 |
|
5 |
V 30x 30x 3ly |
6 |
1.25 |
7.5 |
|
6 |
V 30x 30x 3ly |
6 |
1.36 |
8.2 |
|
7 |
V 40x 40x 2ly |
6 |
1.25 |
7.5 |
|
8 |
V 40x 40x 2,5ly |
6 |
1.42 |
8.5 |
|
9 |
V 40x 40x 3ly |
6 |
1.67 |
10.0 |
|
10 |
V 40x 40x 3.5ly |
6 |
1.92 |
11.5 |
|
11 |
V 40x 40x 4ly |
6 |
2.08 |
12.5 |
|
12 |
V 40x 40x 5ly |
6 |
2.95 |
17.7 |
|
13 |
V 45x 45x 4ly |
6 |
2.74 |
16.4 |
|
14 |
V 45x 45x 5ly |
6 |
3.38 |
20.3 |
|
15 |
V 50x 50x 3ly |
6 |
2.17 |
13.0 |
|
16 |
V 50x 50x 3,5ly |
6 |
2.50 |
15.0 |
|
17 |
V 50x 50x 4ly |
6 |
2.83 |
17.0 |
|
18 |
V 50x 50x 4,5ly |
6 |
3.17 |
19.0 |
|
19 |
V 50x 50x 5ly |
6 |
3.67 |
22.0 |
|
20 |
V 60x 60x 4ly |
6 |
3.68 |
22.1 |
|
21 |
V 60x 60x 5ly |
6 |
4.55 |
27.3 |
|
22 |
V 60x 60x 6ly |
6 |
5.37 |
32.2 |
|
23 |
V 63x 63x 4ly |
6 |
3.58 |
21.5 |
|
24 |
V 63x 63x 5ly |
6 |
4.50 |
27.0 |
|
25 |
V 63x 63x 6ly |
6 |
4.75 |
28.5 |
|
26 |
V 65x 65x 5ly |
6 |
5.00 |
30.0 |
|
27 |
V 65x 65x 6ly |
6 |
5.91 |
35.5 |
|
28 |
V 65x 65x 8ly |
6 |
7.66 |
46.0 |
|
29 |
V 70x 70x 5.0ly |
6 |
5.17 |
31.0 |
|
30 |
V 70x 70x 6.0ly |
6 |
6.83 |
41.0 |
|
31 |
V 70x 70x 7ly |
6 |
7.38 |
44.3 |
|
32 |
V 75x 75x 4.0ly |
6 |
5.25 |
31.5 |
|
33 |
V 75x 75x 5.0ly |
6 |
5.67 |
34.0 |
|
34 |
V 75x 75x 6.0ly |
6 |
6.25 |
37.5 |
|
35 |
V 75x 75x 7.0ly |
6 |
6.83 |
41.0 |
|
36 |
V 75x 75x 8.0ly |
6 |
8.67 |
52.0 |
|
37 |
V 75x 75x 9ly |
6 |
9.96 |
59.8 |
|
38 |
V 75x 75x 12ly |
6 |
13.00 |
78.0 |
|
39 |
V 80x 80x 6.0ly |
6 |
6.83 |
41.0 |
|
40 |
V 80x 80x 7.0ly |
6 |
8.00 |
48.0 |
|
41 |
V 80x 80x 8.0ly |
6 |
9.50 |
57.0 |
|
42 |
V 90x 90x 6ly |
6 |
8.28 |
49.7 |
|
43 |
V 90x 90x 7,0ly |
6 |
9.50 |
57.0 |
|
44 |
V 90x 90x 8,0ly |
6 |
12.00 |
72.0 |
|
45 |
V 90x 90x 9ly |
6 |
12.10 |
72.6 |
|
46 |
V 90x 90x 10ly |
6 |
13.30 |
79.8 |
|
47 |
V 90x 90x 13ly |
6 |
17.00 |
102.0 |
|
48 |
V 100x 100x 7ly |
6 |
10.48 |
62.9 |
|
49 |
V 100x 100x 8,0ly |
6 |
12.00 |
72.0 |
|
50 |
V 100x 100x 9,0ly |
6 |
13.00 |
78.0 |
|
51 |
V 100x 100x 10,0ly |
6 |
15.00 |
90.0 |
|
52 |
V 100x 100x 12ly |
6 |
10.67 |
64.0 |
|
53 |
V 100x 100x 13ly |
6 |
19.10 |
114.6 |
|
54 |
V 120x 120x 8ly |
6 |
14.70 |
88.2 |
|
55 |
V 120x 120x 10ly |
6 |
18.17 |
109.0 |
|
56 |
V 120x 120x 12ly |
6 |
21.67 |
130.0 |
|
57 |
V 120x 120x 15ly |
6 |
21.60 |
129.6 |
|
58 |
V 120x 120x 18ly |
6 |
26.70 |
160.2 |
|
59 |
V 130x 130x 9ly |
6 |
17.90 |
107.4 |
|
60 |
V 130x 130x 10ly |
6 |
19.17 |
115.0 |
|
61 |
V 130x 130x 12ly |
6 |
23.50 |
141.0 |
|
62 |
V 130x 130x 15ly |
6 |
28.80 |
172.8 |
|
63 |
V 150x 150x 10ly |
6 |
22.92 |
137.5 |
|
64 |
V 150x 150x 12ly |
6 |
27.17 |
163.0 |
|
65 |
V 150x 150x 15ly |
6 |
33.58 |
201.5 |
|
66 |
V 150x 150x 18ly |
6 |
39.8 |
238.8 |
|
67 |
V 150x 150x 19ly |
6 |
41.9 |
251.4 |
|
68 |
V 150x 150x 20ly |
6 |
44 |
264 |
|
69 |
V 175x 175x 12ly |
6 |
31.8 |
190.8 |
|
70 |
V 175x 175x 15ly |
6 |
39.4 |
236.4 |
|
71 |
V 200x 200x 15ly |
6 |
45.3 |
271.8 |
|
72 |
V 200x 200x 16ly |
6 |
48.2 |
289.2 |
|
73 |
V 200x 200x 18ly |
6 |
54 |
324 |
|
74 |
V 200x 200x 20ly |
6 |
59.7 |
358.2 |
|
75 |
V 200x 200x 24ly |
6 |
70.8 |
424.8 |
|
76 |
V 200x 200x 25ly |
6 |
73.6 |
441.6 |
|
77 |
V 200x 200x 26ly |
6 |
76.3 |
457.8 |
|
78 |
V 250x 250x 25ly |
6 |
93.7 |
562.2 |
|
79 |
V 250x 250x 35ly |
6 |
128 |
768 |
